Package Include
Kubota Bx1800 , Bx2200 Tractors Workshop Service Manual
Language
English
File Format
PDF
Publication Number
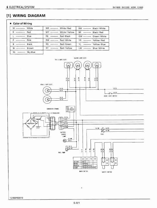
ex 1Boo· 8X2200 WSM. 12460
Total Number of pages
310
Compatible
All windows and mac systems
Additional Requirement
User needs to Install PDF Reader Software
Shipping Policy
Download link by high speed web server Total Download size 44 mb
Overview
With This Original Factory Service Manual The Technician can Find and Solve any problems encountered in the operation of your Kubota Tractors Models of :
Kubota BX1800 Tractor
Kubota BX2200 Tractor
This Kubota Workshop Manual very clear and it is 100% printable version , contains with high quality images, Diagrams and instructions
The Factory was highly recommended use this manual for Technicians, before operate or repair your Kubota Tractor
Enhance your maintenance routine with the Kubota BX1800 and BX2200 Tractors Workshop Service Manual. This comprehensive guide provides detailed instructions, diagrams, and troubleshooting tips specifically designed for these models, ensuring you can perform repairs and maintenance with confidence. With this manual, you’ll save time and money by tackling issues yourself, keeping your tractor in peak condition for all your agricultural needs. Invest in your equipment’s longevity and efficiency today
[the_ad id=”30026″]






Reviews
There are no reviews yet.